1、碳四技術背景
碳四主要包括異丁烷、正丁烷、異丁烯、1-丁烯和2-丁烯等,它們是優良的化工原料。主要用途如下:
名稱 |
用途 |
異丁烯 |
丁基橡膠、異戊橡膠、聚異丁烯和MTBE等; |
異丁烷 |
異丁烯或作為碳四烷基化汽油原料; |
正丁烯 |
碳四烷基化原料或異構為異丁烯; |
正丁烷 |
順酐、裂解料和燃料。 |
本技術將拓展丁烷的深加工路線,以其用較少的投資實現丁烷的高附加值化。
2、總體設計方案
3、異丁烷正構化技術
(1)異丁烷正構化(IBTN)工藝流程示意圖
.png)
(2)異丁烷正構化(IBTN)經濟技術指標
反應溫度 |
℃ |
250~300 |
反應壓力 |
MPa |
2.0~2.5 |
反應空速 |
1/h |
2.0 |
氫油比 |
V/V |
10~25 |
單程轉化率 |
%(w) |
>60 |
正丁烷選擇性 |
% |
>90 |
正丁烷收率 |
% |
>97 |
能耗 |
kg標油/t產品 |
32 |
4、丁烷裂解制乙烯技術
(1)丁烷裂解(BPG)工藝流程示意圖
.png)
(2)丁烷裂解(BPG)經濟技術指標
裂解溫度 |
℃ |
700~900 |
裂解壓力 |
kPa |
150 |
裂解時間 |
s |
0.2~0.5 |
蒸汽比 |
m/m |
0.3~0.35 |
單程轉化率 |
%(w) |
97 |
能耗 |
標油/t產品 |
132 |
發生蒸汽 |
t/t產品 |
0.35 |
回收熱水 |
t/t產品 |
2.5 |
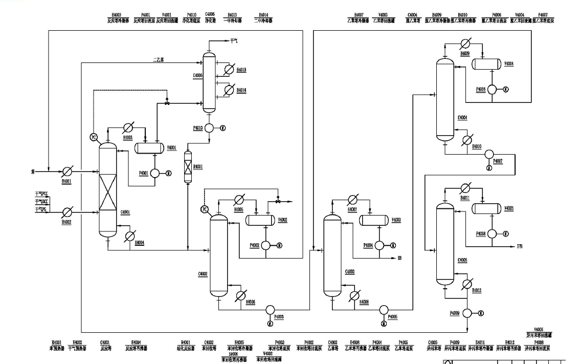
5、裂解干氣制乙苯技術
(1)流程示意圖
.png)
(2)裂解干氣(催化干氣)制乙苯(PGEB)經濟技術指標
PGEB工藝技術經濟指標 |
反應溫度 |
℃ |
160~180 |
反應壓力 |
MPa |
0.6~1.2 |
乙烯質量空速 |
1/h |
0.15~0.25 |
轉化率 |
%(w) |
>98 |
能耗 |
kg標油/t產品 |
70 |
效益分析 |
標油 |
元/t |
3000 |
苯 |
元/t |
4500 |
干氣 |
元/t |
3000 |
乙苯 |
元/噸 |
6800 |
毛利潤 |
元/t乙苯 |
2465 |